Vol.713 7.Apr.2017

Aruduino(3)〜ダイナミック表示とアナログ入力〜 舟川の桜とチューリップ マイクロソフトアカウントの一時停止

A Aruduino (3) 〜ダイナミック表示とアナログ入力〜

by fjk

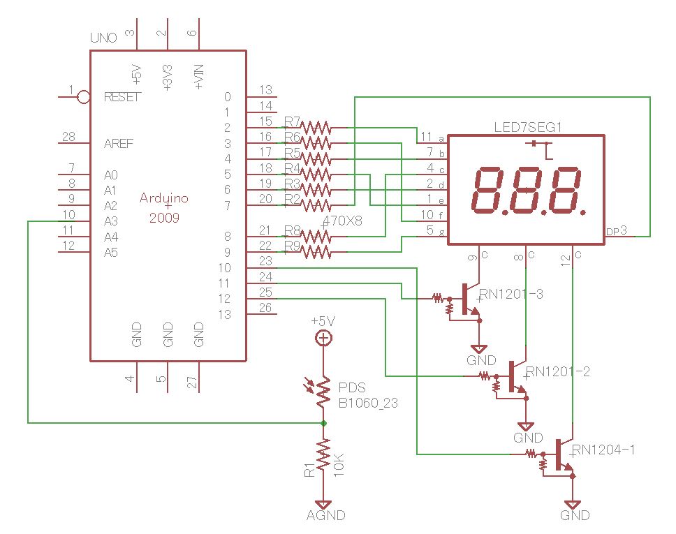
準備したパーツは、秋月電子で、@Arduino用ユニバーサル基板+ピンソケット、Aミニブレッドボード、B3×7segmentカソードコモン(C-533SR)、C抵抗入りトランジスタ(RN1201×3個)、CdS光センサ、配線ケーブル、抵抗(10KΩ、470Ωx8個)、テスト用に可変抵抗器も準備した。
 前回の7segmentLED表示では桁が多くなると配線も多くなる。そこで、各桁の表示を時間をずらして順次行うことで、あたかも全ての桁が同時に表示されているようにすると、配線も少なくて済む。共通化端子(グランド側)をトランジスタでOn/Offする用に配線した。なお、トランジスタにはバイアス抵抗が既に入っているRN1201を利用し部品数を減らしている。RN1201は最大100mAまで電流を流せるので、LEDの1セグメントには約10mA(5V/470Ω×8)の電流を流すことにした。
 アナログ入力には、テスト用として最初は可変抵抗器を接続し、動作を確認後、光センサーに交換した。表示は電圧単位になるようにプログラムで計算(5V/1024)しているので電圧計としても使うことができる。なお、アナログ入力はピン設定の宣言が必要なく使うことが出来る。
ブレッド配線(LEDの下にも配線) 回路図(光センサ)
ダイナミック表示テスト(VR入力、電圧表示) 光センサー(Cds)入力の動作状況
ダイナミック表示スケッチ (dynamic-7seg.ino), (dynamic-7seg.zip)


【おまけ】前記のプログラムはソフトで各桁の表示を順次切り替えているので、ある一定の時間毎にLEDの書き換えを行わないと表示がちらつく。そこで、アルディーノライブラリで紹介されているMsTimer2タイマ 割込みを使うことで、他のプログラムに関係なくLED表示の書き換えを一定時間毎に行うので表示が安定する(?)。なお、MsTimer2を利用するには、「MsTimer2ライブラリの登録」と「#include MsTimer2」の記述が必要。アナログテスト回路と光センサ回路の違いはアナログ入力部のみで、使用するスケッチは同じです。
アナログ入力ー電圧表示用スケッチ
(analog_inp.zip)
割込付きタイマー(MsTimer2)使用スケッチ
(analog_in_int.zip)
ダイナミック表示部はLED点灯スケッチと同じ ダイナミック表示部は5mS毎に1桁ずつ表示


F 舟川の桜とチューリップ

by fjk

白馬連峰をバックに桜とチューリップが咲きそろう舟川べりへ花見に行きました。本当はさらに菜の花とも一緒に見たかったのですが、菜の花はまだ咲いていませんでした。また、雲があり山はよく見えませんでした。アクセスは簡単で、北陸自動車道の朝日インターを下りてすぐのところです。
川縁の桜 チューリップ畑から


M マイクロソフトアカウントの一時停止

by fjk

MS-office付きのパソコンでOfficeの認証を得るため、マイクロソフトアカウントを新規に作成することになった。登録画面で必要なデータを全て入力後、マイクロソフトから送られてくるキーワードのメールを待つが、なかなか来ない。1時間以上待ってもマイクロソフトからのメールが来ないので諦めて、電源を落とすと、その後、暫くしてから、やっとメールが届いた。キーワードの有効時間は10分程度なので、今更と思い、この日の作業を諦めた。
 数日後、再び、マイクロソフトアカウント(実在のメールアドレス)の登録を試みる。今度はキーワードメールが速やかに届いた。しかし、キーワード入力時に間違ったキーを入力したところ、画面がクローズされ、再びキーワードの入力が出来なくなった。
 そこで、再再度アカウントを作ろうと、ユーザー名を入力すると、「アカウントが一時的に使用停止となっている」と表示されます。アカウントは登録されているようですが、正しく使うことが出来ないようです。当然同じアカウントでの再登録も出来ません。  しかたがないので、マイクロソフトのサポートページにアクセスし、上記の状態のヘルプが無いか探したところ、以下の「アカウントの一時停止」のヘルプがあり、指示された手順に従い、電話番号を入力し、SMSメールで送られてきたセキュリティコードを入力すると、無事マイクロソフトアカウントを作成することが出来ました。このヘルプを観る前にも電話番号を入力するようメッセージがあったのですが、固定電話の番号を入力したため、「この電話は使えません」とエラーメッセージが出ていた(ヘルプを見るまで「SMSメールが受け取れる電話」という記述が無かった)。
 ということで、登録アカウントでログインし、何とかOfficeを使えるようになりました。

ーーーーーーーーーーーーーーーーーー<マイクロソフトアカウントより転記>ーーーーーーーーーーーーーーー

アカウントの一時停止
お使いのアカウントで普段とは異なる活動が検出されると、アカウントを不正や悪用から保護するために、アカウントが一時的に停止されることがあります。ご不便をおかけして申し訳ありませんが、これは簡単な手順ですぐに解除することができます。
アカウントのブロックを解除する
アカウントのブロックを解除するには、マイクロソフトアカウントにアクセスし、停止されているアカウントにサインインします。電話番号の入力が求められたら入力して、セキュリティ コードを携帯ショートメール (SMS) で送信するようリクエストします。この携帯ショートメール (SMS) は、任意の電話で受け取ることができます。アカウントに関連付けられている電話である必要はありません。また、この電話番号は、このアカウントのブロック解除のために 1 度だけ使用されます。

電話で受信したセキュリティ コードを入力したら、パスワードを変更して、ブロックの解除を完了します。


Aruduino(3)〜ダイナミック表示とアナログ入力〜 舟川の桜とチューリップ マイクロソフトアカウントの一時停止